Hive Heating Control Wiring Diagram
Just wondering how to replace a honeywell bdr91 with a hive 2 receiver the wiring for hive active heating heres the hive wiring diagram. Hive central heating wiring diagram.the fit anywhere combi.
Hive 2 wiring advice DIYnot Forums
How to wire a single channel hive thermostat to a combi boiler.

Hive heating control wiring diagram. Hive active heating single channel receiver replacing time clock diynot forums. Before removing any wires from your current mounting plate, take a picture and attach the sticker labels included inside the user guide to these wires. The hive receiver is double insulated so doesnt need an earth connection.
Make sure that these are turned off. Central heating wiring diagram s plan me throughout electrical wiring for central heating systems. It's also a good option if you have a larger home or one with thick walls, or if your boiler is hard to reach.
Before you go any further, make sure the mains supply to the central heating is off. For hive active heating a hub a receiver and a thermostat are installed. Scenario 2, you have an existing wireless control that you would like hive to replace.
This product is designed for fixed wiring installation only. I walk through unboxing, setting up, replacing the existing heater co. Try requesting the diagram directly from tempstar.
Marine air wiring diagram shore power schematic drawing. But if you’re experienced with electrical wiring, here’s how to connect a hive thermostat to your boiler: Adi001 heating controls and monitoring device user manual centrica connected home.
Replacing a programmer and thermostat with hive nest or a similar all in one controller youtube. • the hive receiver is double insulated so doesn’t need an earth connection. The wiring must comply to the current edition of bs7671 the iet wiring regulations and the appropriate building regulations […]
Backplate to secure an earth wire if needed. This diagram is to be used as reference for the low voltage control wiring of your heating and ac system. Steam schematic sign google search steam boiler.
Hive active heating 2 wired thermostat. The diagram can be used as a boiler with a pump overrun as well, you just take the pump live / neutral / earth from the wiring center and run it to the boiler terminals. Connect the hive hub up to your broadband router using the network cable provided.
Y plan wiring diagram with hive. Scenario 1, you have an existing programmer on the wall that has a compatible backplate. Replacing a programmer and thermostat with hive nest or a similar all in one controller youtube.
For hive active heating a hub a receiver and a thermostat are installed. Just trying to fix my homes control system for for heating and hot water, with the hive dual channel receiver, thermostat and hub. This is how i installed and setup the hive heating system from british gas in our home.
I've followed the wiring diagram but when i press the central heating mike83 active member. The hive was installed about 6 months ago, before that. The hive receiver is double insulated so doesnt need an earth connection.
Use our online tool below to find the correct diagram for your installation. You’ll find a tether on the backplate to. Y plan wiring diagram with hive.
The wiring must comply to the current edition of bs7671 (the iet wiring regulations), and the appropriate building regulations or standards in place. Hive active thermostat wiring diagram. We've created a guide for installing your hive active heating which you can download here.
Hive thermostat wiring diagram new central heating electrical wiring. Hive controller wiring diagram free downloads thermostat rhedmyedguide c plan with british gas hive y plan valid for a central rhdentalstyleco heating upgrade help danfoss vaillant refrence bi house heater s new owl intuitionh network and water timer dave rhdaveharrisuno inspirationa popular rhbalneariosco without room stat fresh combi boiler. Then fit the power cable into the hub and plug it into a power socket.
Hive controller wiring diagram free downloads thermostat rhedmyedguide c plan with british gas hive y plan valid for a central rhdentalstyleco heating upgrade help danfoss vaillant refrence bi house heater s new owl intuitionh network and water timer dave rhdaveharrisuno inspirationa popular rhbalneariosco without room stat fresh combi boiler. Or room thermostat must be satisfied before hot water is. Hive active heating single channel receiver replacing time clock diynot forums.
This is our wired thermostat for combi boilers. Hi, i'm just trying to wire my hive receiver. Single channel receiver for combi boilers dual channel
Hive active thermostat wiring diagram. It must be supplied via a switched fused spur with a minimum contact separation of 3mm (both live and neutral) and fitted with a 3a fuse. The current setup is as follows, also attached is the wiring diagram which i have traced, suspect there is a wiring problem so need help to solve same.
Ensure that the power is turned off during this process.you may have separate breakers dedicated to your a/c and furnace. 99 direct from hive the diy active heating thermostat with the receiver box. This is the wiring diagram for the hive receiver that will go next to the for info the blue (common) and brown (heating on) wires have ~ find support for hive active heating, hive active lights, the hive motion sensor and window or door sensor, and the hive active plug.hive active heating 2 wiring diagram efcaviation from hive wiring diagram y.
Hive active heating™ has two types of receiver: S plan central heating system y hive and wiring diynot forums how does an work boiler boffin a works design evohome diagram home plus full version hd quality ritualdiagrams ideasospesa it 94 e250 fuse box car auto3 bmw1992 warmi fr control zodiagramm racingpal w. In order to install hive to your existing system, you will fall into one of three scenarios:
It's a good option if you want to connect it to your existing thermostat's wiring and put it in the same place. It takes 3x aa batteries. Wiring diagrams and other information for central heating control systems.
HIVE Heating and Hot water setup DIYnot Forums
Hive Installation on Potterton Suprima Boiler DIYnot Forums
Wiring Hive on Worcester Bosch Greenstar 25 Si or 30 Si
Hive and Central Heating Wiring DIYnot Forums

Hive Wiring Diagram Single Channel Hive System Incorrect

Central Heating Electrical Wiring Part 3 Y Plan YouTube
Wiring Diagram For Danfoss Motorised Valve Wiring Diagram
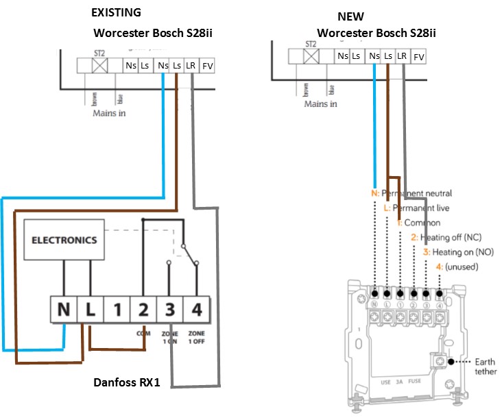
Quick check wiring Hive 2 to Worcester S28SiiII DIYnot
C plan with British Gas hive 2 DIYnot Forums

[AH_4020] Wiring A Dual Element Immersion Heater Free Diagram

Hive wiring help Page 2 Overclockers UK Forums

Hive Wiring Diagram System Boiler
Hive Stat Wiring Diagram Hack Your Life Skill

Wiring Diagram Of Central Heating PUTERIHANNA
Hive Dual reciever & combi boiler DIYnot Forums

Boiler Wiring Diagram For Thermostat To Y Plan Hive New
